Ubidots una plataforma de IoT (Internet de las cosas) que habilita la toma de decisiones a empresas de integración de sistemas a nivel global. Permite enviar datos de sensores a la nube, configurar tableros y alertas, conectarse con otras plataformas, usar herramientas de analítica y arrojar mapas de datos en tiempo real.
En la practica usaremos un semáforo de temperatura.
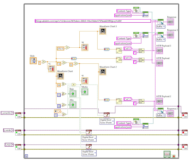
Luego enviaremos sus datos a Ubidots realizando una solicitud HTTP Post a esta URL.
En este caso, la etiqueta del dispositivo será "ttt", por lo que los datos aparecerán en Ubidots bajo un dispositivo llamado "ttt" con la etiqueta API vincularemos nuestro programa de LabView con la pagina y crearemos nuestras variables que se han declarado en LabView en este caso nuestras temperaturas.
Se crean en Ubidots las variables en nuestro caso nombradas como "a1" , "a2", "a3" y se colocan de la misma manera en LabView para que no tengan ningún problema al estar comunicadas.


Comentarios
Publicar un comentario